
الوصف
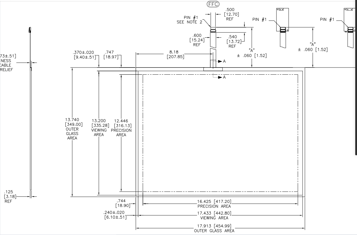
17-8541-204

التطبيقات:




فاكتوري


تكريمنا وشهاداتنا:

الوسم : 17-8541-204 ، الصين ، الموردين ، المصنعين ، المصنع ، حسب الطلب ، صنع في الصين
زوج من:3M 17-8541-204
في المادة التالية :3M Surface Capacitive Screen 17-8541-203
إرسال التحقيق
قد يعجبك ايضا







